Kostenlose Lieferung
Versand innerhalb 5-10 Werktagen
Bis 50 Jahre Materialgarantie
Bequeme Zahlungsmöglichkeiten
Service 0365 43 53 1222

Menü schließen

Retentionszisterne 5300 L Atlantis RV wählbar

grundwasserbeständig

1.879,20 €*

% 2.088,00 €* (10% gespart auf UVP)
Retentionsvolumen
Abdeckungen
Zisternenpumpe wählen
Artikelnummer: RT.5301.0071.70
Lieferzeit: 5 Werktage
  • vormontiertes Zubehör
  • Einbau bis LKW-befahrbar
  • 50 Jahre Materialgarantie
  • 150 € Rabatt bei Selbstabholung

Menü schließen

Produktinformationen "Retentionszisterne 5300 L Atlantis RV wählbar"

Retentionszisterne 5.300 Liter mit wählbarem Retentionsvolumen 2.000 / 3.000 Liter und zusätzlichem Nutzvolumen für die Gartennutzung

Die Retentionszisterne 5.300 Liter der Premiumserie Atlantis wird bei Garten-Zisternen anschlussfertig geliefert und ist bereits mit dem Korbfilter, Retentionsdrossel und Notüberlauf ausgestattet. Das Retentionsvolumen ist wählbar zwischen 2.000 L oder 3.000 L. Das Restvolumen kann zur Gartenbewässerung verwendet werden.
Eine Retentionsanlage wird in immer mehr Gemeinden gefordert um durch die fortschreitende Flächenversiegelung vor Überschwemmungen zu schützen und die öffentlichen Kanäle bei Starkregenereignissen zu entlasten. Bei Garten-Zisternen erhalten Sie ein anschlussfertiges Komplettpaket – mit bereits vorinstallierter Retentionstechnik.

Sie haben die Auflage zum Einbau einer Retentionsanlage erhalten und haben Fragen? Garten-Zisternen ist für Sie da und beraten gern, rufen Sie uns einfach an oder nutzen Sie unser Kontaktformular.

Komplettanlage - Lieferumfang zur Retentionszisterne 5.300 L Atlantis:

  • Zisterne 5300 L Atlantis, inklusive Anschlüsse Zulauf, Retentionsablauf und Technik (DN100)
  • inklusive vorinstalliertem Garten-Korbfilter (Maschenweite 1,0mm, für Dachflächen bis 300m²)
  • Retentionsdrossel mit Schwimmkugel, inklusive Einlegeringe zur Regulierung der Ablaufwerte von 0,1-1,0 L/s
  • Notüberlauf mit Kleintierschutz
  • Wählbare Abdeckung für den begehbaren oder PKW- / LKW-befahrbaren Einbau mit unterschiedlichen Höhen zur Auswahl
  • Optional mit Zisternenpumpe mit automatischer Drucksteuerung, inklusive Anschluss-Set und Wassersteckdose

Wie funktioniert unsere Retentionszisterne

Eine Retentionszisterne wirkt als Puffer / Zwischenspeicher. Bei starkem Regenfall wird das anfallende Regenwasser vorerst gesammelt und nachträglich gedrosselt in den öffentlichen Kanal eingeleitet. Sie tragen zur Entlastung der Kanäle bei und vermindern so das Risiko von Überflutungsereignissen. Für die zeitverzögerte Abgabe des Regenwassers ist in unserer Retentionszisterne Atlantis eine sogenannte Ablaufdrossel bereits montiert. Sie gibt das Wasser mit 0,1 bis 1 l/s an den Kanal ab. Die Ablaufwerte können mit dem im Lieferumfang enthaltenen Einlegeringe je nach Vorgabe reguliert werden. Das Regenwasser wird bis zur Retentionsablaufhöhe gedrosselt abgegeben, das restliche Volumen steht Ihnen zur Regenwassernutzung im Garten zur Verfügung. Ebenfalls ist unsere Retentionszisternen mit einem Notüberlauf ausgestattet, somit wird bei einem langanhaltenden Starkregenereignis Ihre Zisterne vor dem Überlaufen geschützt.

Das gibt's nur bei Garten-Zisternen: offiziell geprüfte Kunststoffzisternen auf Standsicherheit, Dichtheit und Grundwassereignung

Die Zisterne Atlantis 5300 Liter ist für den Einbau bei schwierigen Bodenverhältnissen, wie zum Beispiel bei Grundwassergefahr oder auch kurzzeitig ansteigendem Stauwasser, geeignet. Unsere Zisternen der Serie Atlantis sind aktuell die einzigen offiziell geprüften Kunststoffzisternen auf dem deutschen Markt. Innerhalb dieser Prüfung wurde die Zisterne Atlantis unter Extrembedingungen auf Grundwassereignung getestet und hat natürlich erfolgreich bestanden. In unserem Blogeintrag "geprüfte Zisternen" finden Sie alle Informationen zum Ablauf der Zertifizierung und was dies für unsere Qualität bei Garten-Zisternen bedeutet.

Passende Abdeckung für den begehbaren bis LKW-befahrbaren Einbau

Die Atlantis Premium Regenwasserzisternen sind für den Einbau in begehbaren und überfahrbaren Bereichen geeignet. Je nach Einbauort wählen Sie die passende Tankabdeckung. Möchten Sie die Zisterne im begehbaren Bereich einbauen, können Sie zwischen der PE-Abdeckung, Höhe 100mm (begehbar, feste Höhe) , dem Teleskopsegment, Höhe 235 - 409mm (begehbar, variable Höhe) oder dem Teleskopdom, 15 KN, Höhe 500-750mm, (befahrbar, variable Höhe) wählen.
Beim Einbau in überfahrbare Bereiche benötigen Sie die PKW oder LKW-Abdeckung, um die nötige Erdüberdeckung zu erreichen. Bitte beachten Sie die gesonderte Einbausituation in der Einbauanleitung zur Befahrbarkeit der Zisterne.
Für den Einbau in einem versteckten Bereich ein (z. Bsp. unter dem Blumenbeet – hier können Sie auf die günstige Stülpabdeckung Basic (nicht begehbar, feste Höhe) zurückgreifen.

Bei Garten-Zisternen wählen Sie die gewünschte Abdeckung je nach Einbautiefe und Belastung zur Zisterne dazu und erhalten unseren Set-Rabatt.
Sollte die Einbautiefe bei Bestellung noch nicht bekannt sein, haben Sie die Möglichkeit unsere Garten-Zisterne vorab ohne Abdeckung zu bestellen. Die Nachbestellung der Tankabdeckung ist jederzeit möglich. In der Kategorie Zubehör finden Sie die Einzelangebote. Das Zubehör wird per Paketdienst innerhalb 2-3 Werktagen geliefert.

Vormontierte Retentionsausstattung - anschlussfertige Regenwasserzisternen bei Garten-Zisternen

Unsere Atlantis Retentionszisternen werden mit bereits vorinstallierter Filter- und Retentionstechnik anschlussfertig zu Ihnen geliefert. Im Tank wird werksseitig der Korbfilter "Evo black" fest auf das Zulaufrohr montiert. In dem Kunststoffgehäuse ist ein PE-Korbfilter mit einer Maschenweite von 1,0mm und Entnahmestange eingesetzt. Über die Entnahmestange kann der Filter zur Reinigung einfach entnommen, entleert, mit klarem Wasser gespült und wiedereingesetzt werden. Der Filter ist für Dachflächen bis 300m² geeignet. Die vormontierte Retentionsdrossel ist mit einer Schwimmkugel ausgestattet und gibt bis zum Retentionsvolumen über ein zusätzliches Filtersieb das Regenwasser gedrosselt ab. Die Ablaufwerte werden durch die Einlegeringe eingestellt.
Es sind folgende Ablaufwerte mit unserer Retentionsdrossel realisierbar: 0,1 l/s; 0,3 l/s; 0,4 l/s; 0,6 l/s; 1,0 l/s.
Die Drossel ist gekoppelt an den Ablauf. Über diesen Ablauf wird das Retentionsvolumen in den Kanal oder in eine nachgeschaltete Versickerungsanlage eingeleitet. Fällt der Wasserspiegel in der Zisterne unter die Ablaufhöhe ist der Nutzwasserstand erreicht. Dieses restliche Nutzwasser steht für die Gartenbewässerung zur Verfügung. Weiterhin ist die Retentionsanlage mit einem Notüberlauf zum Schutz bei dauerhaft starkem Regenfall ausgestattet.

Komfortable Wasserentnahme zur Gartenbewässerung

Um das restliche Regenwasser für die Gartenbewässerung nutzen zu können, bieten wir Ihnen das passende Zisternen-Tauchdruckpumpenset, inklusive Automatik Tauchdruckpumpe und Wasserboxanschluss zur Auswahl ins Komplettset an. Mit der komfortablen automatischen Drucksteuerung schließen Sie zur Gartenbewässerung lediglich Ihren Gartenschlauch an die Wasserbox an und können mit dem Gießen beginnen. Ein aufwendiges Hin- und Wegräumen der Pumpe ist nicht notwendig, die Tauchpumpe verbleibt dauerhaft in der Zisterne.

Technische Daten zur Gartenpumpe:

  • max. Förderhöhe: 48m
  • max. Fördermenge: 5100 l/h
  • Motorleistung: 800 Watt
  • Saugstutzen 1 1/4“
  • 15 m Netzkabel
  • ca. 4,8 bar

Lieferumfang Gartenpumpe mit Anschluss Set:

  • Zisternenpumpe Evo Aqua Com 4 mit druckgesteuerter Automatikschaltung, Ansaugung über Edelstahlsaugkorb
  • Wassersteckdose grün mit Deckel (flexible Anschlussmöglichkeiten mit Easy-Click-System)
  • 2m flexibler Druckschlauch (Anschluss in der Zisterne)
  • 10m PE-Schlauch 25mm (Anschluss außerhalb der Zisterne)
  • Anschlusswinkel 90° mit Tülle, 2 Stück Schlauchklemmen Edelstahl

Produktion im eigenen Werk bei Garten-Zisternen

Unsere Premiumserie Atlantis mit Retentionsausstattung wird direkt bei uns im Haus im hochwertigen Rotationsverfahren hergestellt. Durch dieses Produktionsverfahren bestehen unsere Zisternen aus einem Stück, sind absolut dicht und mit gleichmäßiger Wandstärkenverteilung sehr robust. Durch die statisch ausgereifte Bauform sind unsere Gartenzisternen sehr belastbar und für den Einbau bei schwierigen Bodenverhältnissen und bis LKW-befahrbaren Bereichen einsetzbar. Unsere Zisternen werden aus PE-Kunststoff hergestellt, sind dauerhaft korrosionsbeständig und recyclebar. Sie erhalten bei Garten-Zisternen auf die Zisterne Atlantis 50 Jahre Materialgarantie.

Vorteile der Retentionszisterne Atlantis 5.300 Liter von Garten-Zisternen:

  • anschlussfertige Retentionszisterne mit vorinstalliertem Filter, Retentionsdrossel und Notüberlauf
  • Regenwasserrückhaltung und Regenwassernutzung in einer Zisterne
  • Ablaufwerte von 0,1 l/s - 1,0 l/s können durch mitgelieferte Einlegeringe individuell eingestellt werden
  • bei sachgerechtem Einbau erhalten Sie 50 Jahre Materialgarantie auf den Behälter
  • geprüfte Qualität mit Kläranlagen-Norm / PIA auf Wasserdichtheit, Standsicherheit und Grundwassereignung
  • Monolith, aus einem Stück angefertigt – frei von Schweißnähten, extrem stabil
  • Zu 100% recyclingfähig und dauerhaft korrosionsbeständig
  • Leichtgewicht mit 162 kg gegenüber Betonzisternen
  • geeignet für schwer zugängliche Stellen
  • geeignet für den Einbau bei schwierigen Bodenverhältnissen wie Grundwasser und Stauwasser
  • geeignet für den Einbau unter einer Auffahrt, Parkfläche und bis LKW-überfahrbar in Verbindung mit der entsprechenden PKW-/LKW-Abdeckung

Menü schließen

Eigenschaften "Retentionszisterne 5300 L Atlantis RV wählbar"

Serie : Atlantis
Volumen : 5300L
Anwendung : Retentionszisterne/Rückhaltung
Vorteile : grundwasserbeständig
Ausstattung : vormontierter Filter, Überlaufsiphon und Retentionsdrossel
Belastbarkeit : Einbau bis LKW-befahrbare Bereiche
Retentionsvolumen : RV 2000L / NV 3300L, RV 3000L / NV 2300 L
Abmessungen LxBxH : 2400x1980x2408mm
Grubenabmessungen LxBxH : 3400x2980x2575mm + Höhe Abdeckung
Höhe Zulauf : 310mm + Höhe Abdeckung
Höhe Ablauf : RV 2000L: 1261mm + Höhe Abdeckung / RV 3000L: 1497mm + Höhe Abdeckung
Gewicht : 200kg
Garantie : 50 Jahre Materialgarantie
WEEE-Nr. E-Gerät : Evo Aqua DE47821545

Menü schließen

Anlieferung und Einbau Ihrer Gartenzisterne

Menü schließen

technische Details und Downloads

Retentionszisterne 5.300 Liter Atlantis

Lieferumfang:

  • Zisterne Atlantis 5300 L inklusive Anschlüsse für Zulauf, Retentionsablauf und Technik (DN100)
  • inklusive vorinstalliertem Garten-Korbfilter (Maschenweite 1,0mm, für Dachflächen bis 300m²)
  • Retentionsdrossel mit Schwimmkugel, inklusive Einlegeringe zur Regulierung der Ablaufwerte von 0,1-1,0 L/s
  • Notüberlauf mit Kleintierschutz
  • Wählbare Abdeckung für den begehbaren oder PKW-befahrbaren Einbau mit unterschiedlichen Höhen zur Auswahl
  • Optional mit Zisternenpumpe mit automatischer Drucksteuerung, inklusive Anschluss-Set und Wassersteckdose

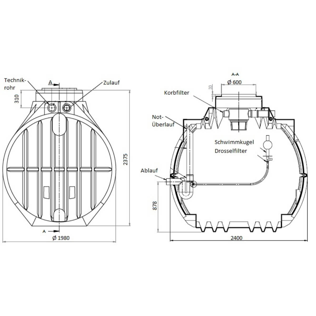
Technische Zeichnung zur Zisterne 5300 Liter - Atlantis - 2000 Liter Retentionsvolumen:
Retentionszisterne 5300L Atlantis RV 2000 L technische Zeichnung

Technische Zeichnung zur Zisterne 5300 Liter - Atlantis - 3000 Liter Retentionsvolumen:
Retentionszisterne 5300L Atlantis RV 3000 L technische Zeichnung

Downloadbereich:

Zisternenserie Retention-Atlantis Übersicht:


Volumen
4.000 L
5.300 L
7.000 L
Retentions-/NutzvolumenRV: 2200L / NV:1800LRV: 2000L / NV: 3300L
RV: 3000L / NV: 2300L
RV: 2450L / NV: 4550L
RV: 3800L / NV: 3200L
RV: 4550L / NV: 2450L
Abmessungen LxBxH2396x1630x2040mm2400x1980x2408mm2933x1980x2408mm
Abmessungen Grube
LxBxH + Höhe Abdeckung
3396x1630x2240mm3400x2980x2575mm3933x2980x2575mm
ZertifizierungPIA-zertifiziertPIA-zertifiziertPIA-zertifiziert
Grundwasserbeständigjajaja
Bodenbeschaffenheitbis schlecht sickerfähigbis schlecht sickerfähigbis schlecht sickerfähig
Belastbarkeit / Einbauortbis LKW-befahrbarbis LKW-befahrbarbis LKW-befahrbar
Zulauf / Ablauftiefe
(+Höhe Abdeckung)
345 / 1346 mm RV 2000L: 310/1261mm
RV 3000L: 310/1497mm
RV 2450L: 310/1207mm
RV 3800L: 310/1501mm
RV 4550L: 310/1667mm
Höhe PE-Abdeckung155mm155mm155mm
Höhe Teleskopsegment
235-375mm235-375mm235-375mm
Höhe PKW-/LKW-Teleskopdom500-750mm500-750mm500-750mm

Menü schließen

Eigenschaften "Retentionszisterne 5300 L Atlantis RV wählbar"

Serie : Atlantis
Volumen : 5300L
Anwendung : Retentionszisterne/Rückhaltung
Vorteile : grundwasserbeständig
Ausstattung : vormontierter Filter, Überlaufsiphon und Retentionsdrossel
Belastbarkeit : Einbau bis LKW-befahrbare Bereiche
Retentionsvolumen : RV 2000L / NV 3300L, RV 3000L / NV 2300 L
Abmessungen LxBxH : 2400x1980x2408mm
Grubenabmessungen LxBxH : 3400x2980x2575mm + Höhe Abdeckung
Höhe Zulauf : 310mm + Höhe Abdeckung
Höhe Ablauf : RV 2000L: 1261mm + Höhe Abdeckung / RV 3000L: 1497mm + Höhe Abdeckung
Gewicht : 200kg
Garantie : 50 Jahre Materialgarantie
WEEE-Nr. E-Gerät : Evo Aqua DE47821545

Menü schließen

Anlieferung und Einbau Ihrer Gartenzisterne

Menü schließen

technische Details und Downloads

Retentionszisterne 5.300 Liter Atlantis

Lieferumfang:

  • Zisterne Atlantis 5300 L inklusive Anschlüsse für Zulauf, Retentionsablauf und Technik (DN100)
  • inklusive vorinstalliertem Garten-Korbfilter (Maschenweite 1,0mm, für Dachflächen bis 300m²)
  • Retentionsdrossel mit Schwimmkugel, inklusive Einlegeringe zur Regulierung der Ablaufwerte von 0,1-1,0 L/s
  • Notüberlauf mit Kleintierschutz
  • Wählbare Abdeckung für den begehbaren oder PKW-befahrbaren Einbau mit unterschiedlichen Höhen zur Auswahl
  • Optional mit Zisternenpumpe mit automatischer Drucksteuerung, inklusive Anschluss-Set und Wassersteckdose

Technische Zeichnung zur Zisterne 5300 Liter - Atlantis - 2000 Liter Retentionsvolumen:
Retentionszisterne 5300L Atlantis RV 2000 L technische Zeichnung

Technische Zeichnung zur Zisterne 5300 Liter - Atlantis - 3000 Liter Retentionsvolumen:
Retentionszisterne 5300L Atlantis RV 3000 L technische Zeichnung

Downloadbereich:

Zisternenserie Retention-Atlantis Übersicht:


Volumen
4.000 L
5.300 L
7.000 L
Retentions-/NutzvolumenRV: 2200L / NV:1800LRV: 2000L / NV: 3300L
RV: 3000L / NV: 2300L
RV: 2450L / NV: 4550L
RV: 3800L / NV: 3200L
RV: 4550L / NV: 2450L
Abmessungen LxBxH2396x1630x2040mm2400x1980x2408mm2933x1980x2408mm
Abmessungen Grube
LxBxH + Höhe Abdeckung
3396x1630x2240mm3400x2980x2575mm3933x2980x2575mm
ZertifizierungPIA-zertifiziertPIA-zertifiziertPIA-zertifiziert
Grundwasserbeständigjajaja
Bodenbeschaffenheitbis schlecht sickerfähigbis schlecht sickerfähigbis schlecht sickerfähig
Belastbarkeit / Einbauortbis LKW-befahrbarbis LKW-befahrbarbis LKW-befahrbar
Zulauf / Ablauftiefe
(+Höhe Abdeckung)
345 / 1346 mm RV 2000L: 310/1261mm
RV 3000L: 310/1497mm
RV 2450L: 310/1207mm
RV 3800L: 310/1501mm
RV 4550L: 310/1667mm
Höhe PE-Abdeckung155mm155mm155mm
Höhe Teleskopsegment
235-375mm235-375mm235-375mm
Höhe PKW-/LKW-Teleskopdom500-750mm500-750mm500-750mm

Schnelle und deutschlandweite versandkostenfreie Lieferung bei Garten-Zisternen

Direkt vom Werk aus Gera versenden wir bei Garten-Zisternen unsere Kunststoffzisternen deutschlandweit ohne zusätzliche Versandkosten. Die Lieferung erfolgt per Speditionsversand frei Bordsteinkante ohne Entladehilfe. Durch den Direktvertrieb genießen Sie genießen Sie den schnellen Lieferservice innerhalb 5-10 Werktagen. Es erfolgt 1-2 Tage vor Zustellung eine telefonische Avisierung durch die Spedition, diese teilt Ihnen das genaue Lieferzeitfenster mit, sodass Sie die Entladehilfe entsprechend organisieren können. Unser Garten-Zisterne 5300 Liter ist mit Trageösen und Griffmulden ausgestattet und wiegt 200kg. So kann die Entladung per Manneskraft mit 2-3 Mann erfolgen, komfortabler gestaltet sich die Entladung zum Beispiel mit einem Minibagger oder Ähnlichem.

Gern berücksichtigen wir Ihre Wünsche, wie zum Beispiel eine Lieferterminwunsch oder eine ebenerdige Anlieferung mit Ladebordwand zum bequemeren Abladen per Manneskraft - nutzen Sie einfach unser Kommentarfeld im Bestellvorgang oder kontaktieren Sie unser Team von Garten-Zisternen. Wir machen für Sie (fast) alles möglich.